КАСКАД 101: Шкаф управления повысительным насосом
Документация и ПО
| Наименование | Тип документа | Размер | Тип файла |
|---|---|---|---|
| Альбом схем КАСКАД 101 ххх-1-х | Мануалы | 2 MB | |
| Альбом схем КАСКАД 101 ххх-2-х | Мануалы | 3 MB | |
| Альбом схем КАСКАД 101 ххх-3-х | Мануалы | 3 MB | |
| Оборудование для автоматизации ИТП и насосных станций | Каталог | 10 MB | |
| Альбом DWG схем КАСКАД 101 ххх-1-х | CAD библиотека | 2 MB | zip |
| Альбом DWG схем КАСКАД 101 ххх-2-х | CAD библиотека | 3 MB | zip |
| Альбом DWG схем КАСКАД 101 ххх-3-х | CAD библиотека | 2 MB | zip |
Внимание! Шкафы управления моделей КАСКАД 101, представленные на этой странице, сняты с производства.
Описание более современных моделей замены КАСКАД 20 доступно по адресу: https://kipservis.ru/control_box/kaskad20.htm.
Шкаф управления повысительным насосом КАСКАД 101 предназначен для управления повысительным насосом, а также насосной станцией, состоящей из 2 либо 3 насосов. Внедрение данного решения позволит оптимизировать работу насосов под расходную характеристику системы с целью достижения максимальной энергоэффективности. Максимальная экономия достигается при переменном характере разбора воды.
Использование готового проверенного решения позволяет сократить затраты на монтажно-наладочные работы, а также повысить надежность
Как правило, основными областями применения шкафов КАСКАД 101 являются: системы ХВС в системах ЖКХ, промышленных предприятиях, а также водоканалов.
Общая информация и способы применения шкафов управления КАСКАД 101
Основные функции шкафа КАСКАД 101:
- точное поддержание заданного давления путем ПИД-регулирования;
- полный спектр аварийных ситуаций работы насоса;
- возможность изменения поддерживаемого давления в зависимости от времени суток;
- обеспечение режима АВР по насосам при управлении насосной станцией;
- функция чередования насосов для обеспечения равномерного износа;
- режим каскадного регулирования (ввод дополнительных насосов в моменты пиковых нагрузок);
- поддержка системы мониторинга OnlineScan.
Замена стандартных решений
Стандартная схема управления насосами подразумевает дискретное управление работой насосов по реле давления.
Для регулирования расхода применяется метод дросселирования при помощи задвижки (причем, как правило «ручной»).
Внедрение КАСКАД 101
Полностью автоматическое управление насосной группой. Частотное регулирование позволяет точно поддерживать заданное давление в системе.
В случае уменьшения расхода системы КАСКАД 101 автоматически снизит производительность насоса, что приведет к снижению потребляемого тока, но при этом обеспечит поддержание заданного давления.
Недостатки релейной схемы:
- «грубое» поддержание давления;
- гидроудары от «прямого» пуска насоса;
- постоянная работа на номинальной частоте (100% потребление тока);
- отсутствие каскадного режима в пике потребления;
- повышение гидравлического сопротивления при закрытии задвижки;
- рассеивание «излишней» кинетической энергии на задвижке;
- увеличение затрат кВт/м³ перекачивания воды.
Достоинства КАСКАД 101:
- точное «плавное» поддержание давления;
- корректировка давления в зависимости от времени суток;
- плавный пуск двигателя (уменьшение нагрузки на двигатель и арматуру);
- снижение потребляемой мощности за счет снижения скорости вращения;
- наличие возможности каскадного режима при пиковых нагрузках;
- ведение журнала аварийных ситуаций;
- счетчик работы насосов;
- оптимизация характеристики работы насоса (автоматическая «подстройка» под характеристику системы);
- уменьшение показателя кВт/м³ перекачиваемой воды;
- уменьшение протечек.
Варианты шкафов КАСКАД 101 для управления одним, двумя или тремя насосами
КАСКАД 101 ×××-1-×
Управление одним насосомОсновные функции:
- точное поддержание давления в напорном трубопроводе;
- корректировка давления по времени суток (утро, день,вечер,ночь);
- автоматический запуск после пропадания напряжения;
- снижение потребляемой мощности насоса за счет снижения скорости вращения;
- защита от низкого давления на всасывающем трубопроводе («сухой» ход);
- контроль работы насоса от внешних датчиков (реле перепада давления, реле протока и т.д.);
- защита по низкому давлению в напорном трубопроводе (прорыв трубы);
- комплексная электронная защита двигателя;
- встроенный журнал аварий;
- возможность ручного режима («байпасное» включение);
- поддержка системы мониторинга OnlineScan.
КАСКАД 101 ×××-2-×
Управление двумя насосами
КАСКАД 101 ×××-3-×
Управление тремя насосамиВ шкафах для управления несколькими насосами, кроме уже перечисленных основных функций управления, присутствуют и дополнительные:
- функция запуска резервного насоса при аварии основного (АВР);
- чередование насосов для равномерного их износа;
- возможность каскадного управления насосами в пике расхода.
- контроль времени наработки каждого насоса;
- приоритетный запуск насоса с меньшим временем наработки.
Особенности шкафов управления КАСКАД 101
Быстрый монтаж – удобная эксплуатация!
КАСКАД 101 поставляется с уже запрограммированным алгоритмом и соответствующими документами для правильной эксплуатации. В связи с чем, срок монтажа и ввода насосной станции в эксплуатацию значительно сокращается. Специально разработанное меню на русском языке позволяет быстро сконфигурировать КАСКАД 101 под конкретный объект.
Информацию о текущем состоянии работы насосов, текущем давлении в напорном трубопроводе, времени наработки, состоянии аварийных датчиков и прочего можно увидеть на операторской панели. Встроенный журнал последних аварийных ситуаций позволит правильно проанализировать состояние системы до отключения.
Сервисный режим обеспечит безопасное проведение мероприятий по плановому обслуживанию конкретного насоса без отключения всей системы целиком.
Встроенный ПИД-регулятор
Наличие встроенной функции ПИД-регулятора позволяет изменять производительность насоса в зависимости от текущего расхода системы путем частотного регулирования.
- Более точное поддержание давления в системе, а также автоматическая адаптация системы под текущий расход.
- Изменение производительности насоса позволяет изменять потребляемую мощность. Например, при уменьшении разбора воды (Q) на 20 % КАСКАД 101 позволит снизить потребляемый ток на 48 % и при этом обеспечит необходимое давление в системе.
Плавный пуск, плавная остановка
Шкаф управления КАСКАД 101 обеспечивает плавный пуск и остановку двигателя. Преимущества плавного пуска можно разделить на электрические и гидравлические.
- Гидравлическое преимущество – плавный пуск и остановка позволяет исключить гидроудары в системе, продлевает срок службы арматуры и измерительного оборудования.
- Электрическое преимущество – плавный пуск позволяет снизить пусковые токи двигателя, способствует продлению срока службы насоса, а также меньшему износу привода.
Управление насосной станцией: АВР, чередование, каскадное управление
Автоматическое включение резервного насоса при выходе из строя основного
Счетчик наработки по времени, приоритет запуска насоса с наименьшим временем работы
При повышенном расходе системы происходит переключение основного насоса «напрямую» к сети, затем производится плавный запуск и последующее регулирование пиковым насосом
Удобное задание поддерживаемого давления: два способа задания уставки
- Автоматический: автоматическая программная смена уставки в зависимости от времени суток: утро, день, вечер, ночь. Имеется возможность корректировать диапазон времени и значение уставки в этом диапазоне.
- Ручной: простое задание при помощи поворотного задатчика.
Комплексная защита насоса
КАСКАД 101 обеспечивает полную защиту электродвигателя:
- защита насоса от сухого хода (низкое давление на всасывающем трубопроводе);
- дополнительный датчик аварии насоса (реле перепада давления, реле протока, перегрев обмоток);
- электронная тепловая защита;
- защита от перегрузки по току;
- защита от обрыва выходной фазы;
- защита от замыкания на землю.
Защита от прорыва трубы
Шкаф управления повысительным насосом КАСКАД 101 обеспечивает контроль за давлением в установившемся режиме. Если давление в трубопроводе снизилось на заданное значение, в течение определенного времени, то шкаф управления отключит насос. Этот режим будет актуален для систем, в которых отсутствуют протяженные пиковые нагрузки выше номинальных.
Широкий диапазон рабочих температур
КАСКАД 101 оборудован системой поддержания внутреннего микроклимата.
Это позволяет использовать шкаф внутри помещений при температурах до 35 °C в летнее время, а также в не отапливаемых помещениях зимой при температурах до минус 10 °C.
OnlineScan всегда под рукой
Это удобно:
- иметь доступ из любой точки мира;
- видеть все шкафы на своей интерактивной карте;
- получать текущие данные с объекта;
- просматривать архив данных за заданный период времени;
- строить графики по периодам.
Это просто:
- получить доступ, воспользовавшись любым браузером;
- зарегистрироваться;
- добавить новый или редактировать имеющийся шкаф;
- настроить параметры отображения «под себя».
Технические характеристики шкафов управления КАСКАД 101
| КАСКАД 101-×××-1 для управления 1 насосом |
022 | 037 | 055 | 075 | 110 | 150 | 185 | 220 | 300 | 370 | 450 | |
|---|---|---|---|---|---|---|---|---|---|---|---|---|
| Номинальное рабочее напряжение | 3-фазное 380 В (-15…+10 %), 50 Гц | |||||||||||
| Номинальное напряжение цепей управления | 220 В, 50 Гц и =24 В | |||||||||||
| Номинальный потребляемый ток, A | модификация 0 или 1 | 7,5 | 11,2 | 18,1 | 20,1 | 25,1 | 33,1 | 39,1 | 47,1 | 62,1 | 76,1 | 92,1 |
| модификация 2 или 3 | 7,6 | 11,2 | 18,2 | 20,2 | 25,2 | 33,2 | 39,2 | 47,2 | 62,2 | 76,3 | 92,3 | |
| Номинальный выходной ток, А | 5,5 | 8,5 | 13 | 18 | 24 | 32 | 38 | 45 | 60 | 73 | 91 | |
| Мощность подключаемого двигателя, кВт | 2,2 | 3,7 | 5,5 | 7,5 | 11 | 15 | 18,5 | 22 | 30 | 37 | 45 | |
| Перегрузочная способность при работе в автоматическом режиме | 120 % номинального выходного тока в течение 1 минуты, но не чаще одного раза в 5 минут | |||||||||||
| Тип подключаемого аналогового датчика | Датчик давления с аналоговым выходом 4…20 мА (рекомендуемая модель датчика: CER-1-xxx-G-X106-4A) |
|||||||||||
| Максимальное сопротивление аналогового входа, Ом | 250 | |||||||||||
| Количество и тип подключаемых дискретных датчиков | 3 дискретных входа: - датчик «сухого хода» насоса, тип выхода – «сухой» контакт, НЗ; - датчик аварии насоса, тип выхода – «сухой» контакт, НО; - внешний сигнал запрещения работы шкафа управления – «сухой» контакт, НЗ |
|||||||||||
| Встроенные функции управления | - поддержание заданного давления в системе, путем регулирования частоты вращения двигателя; - 2 способа задания уставки: автоматический по времени суток или ручной; - встроенный журнал аварийных ситуаций; - встроенный счетчик наработки насоса. |
|||||||||||
| Наличие ручного (байпасного) режима | только в модификациях 2 или 3 | |||||||||||
| Наличие возможности диспетчеризации | модификация 1 или 3 | встроенный GSM-модем, поддержка системы мониторинга OnlineScan | ||||||||||
| модификация 0 или 2 | RS-485, Modbus RTU | |||||||||||
| Максимальное сечение силового вводного кабеля (клеммы ВВОД), мм² | 16 | 35 | ||||||||||
| Максимальное сечение силового моторного кабеля (клеммы X1), мм² | ||||||||||||
| Максимальное сечение сигнальных кабелей датчиков (клеммы Х2), мм² | 2,5 | |||||||||||
| Рабочая температура окружающей среды | -10…+35 °С | |||||||||||
| Типоразмер корпуса | модификация 0 или 1 | 1 | 2 | 3 | 5 | 7 | ||||||
| модификация 2 или 3 | 2 | 4 | 5 | 7 | ||||||||
| Масса нетто (брутто), кг | модификация 0 или 1 | 30 (37) |
31,1 (37,1) |
42,8 (52,8) |
69 (82) |
140 (158) | ||||||
| модификация 2 или 3 | 39 (49) |
39,1 (49,1) |
43 (53) |
57 (69) |
70 (83) |
141 (159) |
||||||
| КАСКАД 101-×××-2 для управления 2 насосами |
022 | 037 | 055 | 075 | 110 | 150 | 185 | 220 | 300 | 370 | 450 | |
|---|---|---|---|---|---|---|---|---|---|---|---|---|
| Номинальное рабочее напряжение | 3-фазное 380 В (-15…+10 %), 50 Гц | |||||||||||
| Номинальное напряжение цепей управления | 220 В, 50 Гц и =24 В | |||||||||||
| Номинальный потребляемый ток, A | модификация 0 или 1 | 7,5 | 11,1 | 18,1 | 20,1 | 25,1 | 33,1 | 39,1 | 47,1 | 62,1 | 76,1 | 92,1 |
| модификация 2 или 3 | 13,1 | 19,5 | 31 | 38 | 49 | 65,2 | 77,2 | 93 | 122 | 149 | 183 | |
| Номинальный выходной ток, А | 5,5 | 8,5 | 13 | 18 | 24 | 32 | 38 | 45 | 60 | 73 | 91 | |
| Мощность подключаемого двигателя, кВт | 2,2 | 3,7 | 5,5 | 7,5 | 11 | 15 | 18,5 | 22 | 30 | 37 | 45 | |
| Перегрузочная способность при работе в автоматическом режиме | 120 % номинального выходного тока в течение 1 минуты, но не чаще одного раза в 5 минут | |||||||||||
| Тип подключаемого аналогового датчика | Датчик давления с аналоговым выходом 4…20 мА (рекомендуемая модель датчика: CER-1-xxx-G-X106-4A) |
|||||||||||
| Максимальное сопротивление аналогового входа, Ом | 250 | |||||||||||
| Количество и тип подключаемых дискретных датчиков | 4 дискретных входа: - датчик «сухого хода» насоса, тип выхода – «сухой» контакт, НЗ; - датчик аварии насоса 1, тип выхода – «сухой» контакт, НО; - датчик аварии насоса 2, тип выхода – «сухой» контакт, НО; - внешний сигнал запрещения работы шкафа управления – «сухой» контакт, НЗ |
|||||||||||
| Встроенные функции управления | - поддержание заданного давления в системе, путем регулирования частоты вращения двигателя; - 2 способа задания уставки: автоматический по времени суток или ручной; - периодическое чередование работы насосов по времени; - автоматическое включение резервного насоса при выходе из строя основного; - встроенный журнал аварийных ситуаций; - встроенные счетчики наработки насосов. |
|||||||||||
| Наличие ручного (байпасного) режима | только в модификациях 2 или 3 | |||||||||||
| Наличие возможности диспетчеризации | модификация 1 или 3 | встроенный GSM-модем, поддержка системы мониторинга OnlineScan | ||||||||||
| модификация 0 или 2 | RS-485, Modbus RTU | |||||||||||
| Максимальное сечение силового вводного кабеля (клеммы ВВОД), мм² | модификация 0 или 1 | 16 | 35 | |||||||||
| модификация 2 или 3 | 16 | 35 | 70 | 150 | ||||||||
| Максимальное сечение силового моторного кабеля (клеммы X1), мм² | 16 | 35 | ||||||||||
| Максимальное сечение сигнальных кабелей датчиков (клеммы Х2), мм² | 2,5 | |||||||||||
| Рабочая температура окружающей среды | -10…+35 °С | |||||||||||
| Типоразмер корпуса | модификация 0 или 1 | 2 | 3 | 5 | 7 | |||||||
| модификация 2 или 3 | 5 | 6 | ||||||||||
| Масса нетто (брутто), кг | модификация 0 или 1 | 39 (49) |
42,8 (52,8) |
69 (82) |
141 (159) |
|||||||
| модификация 2 или 3 | 39,1 (49,1) |
43 (53) |
70 (83) |
82 (96) |
142 (160) |
|||||||
| КАСКАД 101-×××-3 для управления 3 насосами |
022 | 037 | 055 | 075 | 110 | 150 | 185 | 220 | 300 | 370 | 450 | |
|---|---|---|---|---|---|---|---|---|---|---|---|---|
| Номинальное рабочее напряжение | 3-фазное 380 В (-15…+10 %), 50 Гц | |||||||||||
| Номинальное напряжение цепей управления | 220 В, 50 Гц и =24 В | |||||||||||
| Номинальный потребляемый ток, A | модификация 0 или 1 | 7,5 | 11,1 | 18,1 | 20,1 | 25,1 | 33,1 | 39,1 | 47,1 | 62,1 | 76,1 | 92,1 |
| модификация 2 или 3 | 17 | 26 | 44 | 56 | 73 | 97,2 | 115 | 138 | 182 | 222 | 274 | |
| Номинальный выходной ток, А | 5,5 | 8,5 | 13 | 18 | 24 | 32 | 38 | 45 | 60 | 73 | 91 | |
| Мощность подключаемого двигателя, кВт | 2,2 | 3,7 | 5,5 | 7,5 | 11 | 15 | 18,5 | 22 | 30 | 37 | 45 | |
| Перегрузочная способность при работе в автоматическом режиме | 120 % номинального выходного тока в течение 1 минуты, но не чаще одного раза в 5 минут | |||||||||||
| Тип подключаемого аналогового датчика | Датчик давления с аналоговым выходом 4…20 мА (рекомендуемая модель датчика: CER-1-xxx-G-X106-4A) |
|||||||||||
| Максимальное сопротивление аналогового входа, Ом | 250 | |||||||||||
| Количество и тип подключаемых дискретных датчиков | 5 дискретных входов: - датчик «сухого хода» насоса, тип выхода – «сухой» контакт, НЗ; - датчик аварии насоса 1, тип выхода – «сухой» контакт, НО; - датчик аварии насоса 2, тип выхода – «сухой» контакт, НО; - датчик аварии насоса 3, тип выхода – «сухой» контакт, НО; - внешний сигнал запрещения работы шкафа управления – «сухой» контакт, НЗ |
|||||||||||
| Встроенные функции управления | - поддержание заданного давления в системе, путем регулирования частоты вращения двигателя; - 2 способа задания уставки: автоматический по времени суток или ручной; - периодическое чередование работы насосов по времени; - автоматическое включение резервного насоса при выходе из строя основного; - встроенный журнал аварийных ситуаций; - встроенные счетчики наработки насосов. |
|||||||||||
| Наличие ручного (байпасного) режима | только в модификациях 2 или 3 | |||||||||||
| Наличие возможности диспетчеризации | модификация 1 или 3 | встроенный GSM-модем, поддержка системы мониторинга OnlineScan | ||||||||||
| модификация 0 или 2 | RS-485, Modbus RTU | |||||||||||
| Максимальное сечение силового вводного кабеля (клеммы ВВОД), мм² | 35 | 50 | 70 | 95 | 150 | |||||||
| Максимальное сечение силового моторного кабеля (клеммы X1), мм² | 16 | 35 мм² | ||||||||||
| Максимальное сечение сигнальных кабелей датчиков (клеммы Х2), мм² | 2,5 | |||||||||||
| Рабочая температура окружающей среды | -10…+35 °С | |||||||||||
| Типоразмер корпуса | 2 | 5 | 6 | 7 | 8 | |||||||
| Масса нетто (брутто), кг | модификация 0 или 1 | 30 (37) |
30,1 (37,1) |
69 (82) |
84 (98) |
135 (153) |
140 (158) |
218 (238) |
||||
| модификация 2 или 3 | 39 (49) |
39,1 (49,1) |
70 (83) |
136 (154) |
141 (159) |
219 (239) |
||||||
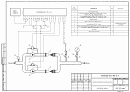
Схемы шкафов управления КАСКАД 101
Схемы КАСКАД 101 для управления 1 насосом
КАСКАД 101-xxx-1-x
КАСКАД 101-xxx-1-x
КАСКАД 101-xxx-1-x
Схемы КАСКАД 101 для управления 2 насосами
КАСКАД 101-xxx-2-x
КАСКАД 101-xxx-2-x
КАСКАД 101-xxx-2-x
Схемы КАСКАД 101 для управления 3 насосами
Основные органы управления шкафа КАСКАД 101
Операторская панель управления предназначена для первоначальной настройки преобразователя частоты, а также отображения основных параметров работы.
- индикатор «СУХОЙ ХОД» – индикация низкого давления на входе («сухой ход»)
- индикаторы «АВАРИЯ НАСОСА 1», «АВАРИЯ НАСОСА 2», «АВАРИЯ НАСОСА 3» – возникновение аварийных ситуаций соответствующих насосов
- индикатор «АВАРИЯ ПЧ» – возникновение аварийной ситуации преобразователя частоты
- индикатор «РУЧНОЙ» – индикация включения ручного режима
- индикаторы «НАСОС 1», «НАСОС 2», «НАСОС 3» – индикаторы включения соответствующих насосов
- индикатор «АВТОМАТ» – индикация включения автоматического режима
- сдвоенные кнопки «НАСОС 1», «НАСОС 2», «НАСОС 3» – кнопки пуска/останова соответствующих насосов в ручном режиме
- переключатель «РУЧ/ВЫКЛ/АВТ» – выбор режима работы шкафа управления
- поворотный задатчик «УСТАВКА» – задание требуемого давления (для автоматического режима)
- кнопка «СБРОС АВАРИИ» – снятие аварийного состояния «авария насоса» в автоматическом режиме
Количество индикаторов и кнопок может отличаться от схемы, изображенной слева и напрямую зависит от количества поддерживаемых шкафом насосов и модификации шкафа.
Удобное меню на русском языке
Габаритные размеры управляющих шкафов КАСКАД 101
Ввод кабелей внешних подключений осуществляется через кабельные вводы, расположенные снизу шкафа управления.
Обозначение при заказе шкафа управления КАСКАД 101
| КАСКАД 101- | - | - | |||
|---|---|---|---|---|---|
| Номинальная мощность насоса, кВт | |||||
| 2,2 | 022 | ||||
| 3,7 | 037 | ||||
| 5,5 | 055 | ||||
| 7,5 | 075 | ||||
| 11 | 110 | ||||
| 15 | 150 | ||||
| 18,5 | 185 | ||||
| 22 | 220 | ||||
| 30 | 300 | ||||
| 37 | 370 | ||||
| 45 | 450 | ||||
| Количество двигателей | |||||
| Один двигатель | 1 | ||||
| Два двигателя | 2 | ||||
| Три двигателя | 3 | ||||
| Модификация | |||||
| Базовая версия | 0 | ||||
| Поддержка OnlineScan | 1 | ||||
| Ручной режим (байпас) и каскадное регулирование | 2 | ||||
| Поддержка OnlineScan + ручной режим (байпас) и каскадное регулирование | 3 |








